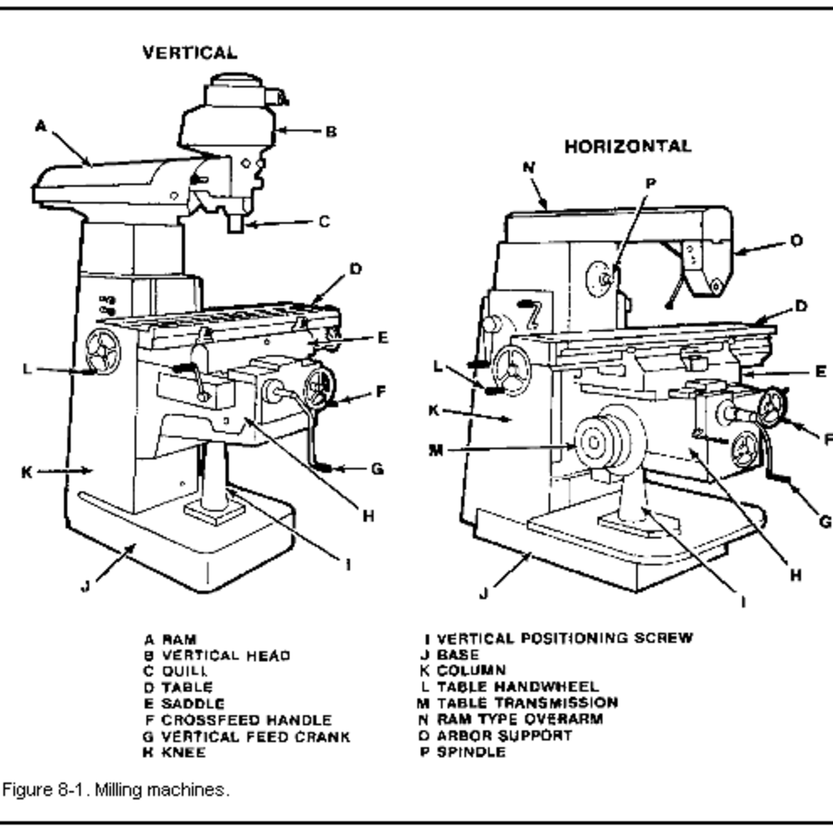
Milling Machine Parts
Milling machine attachments and accessories include optional tables and mounts for milling machines that enhance performance in specific milling operations or allow them to be used on different types of workpieces.
Milling machine parts. Elevating Knee Crank Gearshaft Clutch Insert Bridgeport Milling Machine Parts $4400 Free shipping 9 Teeth Milling machine Crank Milling Machine Parts Zinc Alloy Knee Crank Tool $3802 Free shipping 6" Lock Precision Vise W/ Lock Vice Milling Drilling Machine Clamp Vice $. Parts of milling machine Learning about the parts of milling machine helps you understand how to operate it properly and where to inspect if something goes wrong Here are the important things about a milling machine and its parts that you must know about 1 Base with coolant reservoir The base is where the column rests. Best Sellers in Power Milling Machine Replacement Parts #1 NITOMAK 12mm Square Corners Carbide Inserts 4 Edges (12mm lengthX12mm widthX15mm thick35 Degree Cutting Angle), Pack of 10, StraightHole 49 out of 5 stars 28 $2999 #2 HHIP Quill Stop for Bridgeport Mill.
Mataco Inc P 8–785–7810 F 440–546–11 E info@matacoincnet 2861 East Royalton Road Cleveland, OH wwwmatacoincnet. Milling is the machining process in which the removal of metal takes place due to the cutting action of a rotating milling cutterIn a milling machine, the cutter is rotating due to workpiece is fed against itThis machine can hold more than one tool at a time The cutter rotates at high speed, and because of the many cutting edges, it removes metal at a very fast rate. The following is a list of all Parts Lists/Diagrams & Parts Price Lists available for download If there is a particular document that is not available for download on our website, please contact us IMPORTANT When contacting us for parts requests, please provide your machine’s model and serial number Once you've determined which part(s) you need, please fill out the Parts Request Form.
Led Magnetic Machine Work Light IP65 Water Proof Flexible Gooseneck lamp 900 Lumens 1 Volt for Lathe Milling Drill Press Industrial Lighting 39 out of 5 stars 92 $6999 $ 69 99. VMC2240XL with ATC featuring FAGOR Control Model/Part # VMC2240XL Machining Center with ATC featuring FAGOR 8055i/AMC Control. Here is a list of the machines for which we have parts diagrams Bolton XJ9510 Mini Mill BusyBee CX605 Craftex Mini Mill BusyBee CX611 Craftex Small Mill BusyBee CX612 Craftex Mini Mill BusyBee CX704 Craftex Mini Lathe 7x12 Clarke CMD10 Metalworker Micro Mill Clarke CMD300 Mini Mill Cummins 5278 Cummins Mini Lathe 7x12.
To providing extensive lines of tool holders, cutting tools;. We specialize in replacement parts for Cincinnati & Kearney & Trecker (Milwaukee) Mills With over 35,000 sq ft under roof, We have what you need From individual parts, to complete assemblies, to complete machines We specialize in hard to get parts for Knee Type, Dial Type, Rise & Fall and Plain Production Mills. Milling Machine Parts FILTER 142 ITEMS Price (Inc GST) Min Max Buy Milling Machine Parts Online Australia Sort Relevance Relevance;.
Here is a list of the machines for which we have parts diagrams Bolton XJ9510 Mini Mill BusyBee CX605 Craftex Mini Mill BusyBee CX611 Craftex Small Mill BusyBee CX612 Craftex Mini Mill BusyBee CX704 Craftex Mini Lathe 7x12 Clarke CMD10 Metalworker Micro Mill Clarke CMD300 Mini Mill Cummins 5278 Cummins Mini Lathe 7x12. Best Sellers in Power Milling Machine Replacement Parts #1 NITOMAK 12mm Square Corners Carbide Inserts 4 Edges (12mm lengthX12mm widthX15mm thick35 Degree Cutting Angle), Pack of 10, StraightHole 49 out of 5 stars 28 $2999 #2 HHIP Quill Stop for Bridgeport Mill. Milling Machine Parts Bridgeport Series 1 Milling Machine Cast Aluminum Door, 3 Pounds $4900 Bridgeport Series 1 Milling Machine Cast Iron Door, 8 Pounds $4900 Bridgeport Milling Machine X Axis Leadscrew w/ Nut, Fits 9x42" Table with old style gearbox feed, Used $ Bridgeport J Head Aluminum Belt Housing $ 1098C.
Designed to hold your part on 4 and 5axis milling machines, these vises provide rigid clamping while exposing five full sides of the workpiece This allows even complex parts to be completed in a single operation You must cut a dovetail into your material before the vise can grip it Dovetail Blanks for Dovetail. CNC Milling Machines – Types, Parts, Application CNC Milling Machines are explained along with different parts, definition, working principles, diagrams, advantages, disadvantages Let’s explore CNC Milling Machines!. Contents hide 1 CNC Milling Machines 11 Basics 12 What is CNC Milling Machine.
The milling head is the upper part of a vertical mill machine It consists of spindle, driving motor and other controlling mechanisms. The basic milling machine parts are base, column, arbor, knee, saddle, table, overhanging arm, elevating screw, ram etc These parts are responsible for proper working of milling machine Milling Machine Parts and Working Milling is a mechanical machine which is used to machined unsymmetrical job It is widely used in tool and die making. The milling machines are used to remove metal from the workpiece to get the desired shape with the help of a revolving cutter called known as a milling cutter This is used on flat, rough and irregular surfaces and it is completed by place the workpiece opposite the rotating milling cutter What are the main parts of the Milling Machine?.
Milling Machine Attachments, Parts & Accessories Add new functionality to your milling machine and keep it performing well with milling machine attachments, parts and accessories at MSC. Thank you for choosing H&W to be your supplier of parts for your Bridgeport Milling Machine Whether it be for the base, head or motor, we carry a large inventory of parts for your mill If you cannot find the part you are looking for give us a call at and one of our helpful staff personal will help you find exactly the part you. Mophorn Al310S Power Feed XAxis 450 inlb Torque,Power Feed Milling Machine 00PRM, Power Table Feed Mill 110V,for Bridgeport and Similar Knee Type Milling Machines 42 out of 5 stars 46 $799 $ 7 99.
If you are looking for parts for your Bridgeport Series I Milling Machine you can purchase them directly from our web site Whether you need parts for the basic machine, step pulley top housing, leadscrew assembly, quill housing assembly, variable speed front gear assembly or the variable speed rear gear assembly we can provide them for you. Used Milling Machine Parts & Accessories Find what you're looking for out of 9 secondhand machines starting from €48 in IT,RS,ES!. Main Parts of Milling Machine 1 Column & Base Column including base is the main casting that supports all other parts of milling machine The column 2 Knee It is a casting that supports the saddle and table All gearing mechanism is enclosed within the knee 3 Saddle and Swivel Table The.
To providing extensive lines of tool holders, cutting tools;. Contents hide 1 CNC Milling Machines 11 Basics 12 What is CNC Milling Machine. The axes of a CNC Milling Machine allow motion using Cartesian coordinates programmed via gcode and via manual jogging from the control panel Generally, there are 3 axes that correspond to X, Y, and Z An optional 4th Axis is an accessory for CNC Milling Machines 5 axis milling machines are possible but not very common in the DIY CNC world.
Contents hide 1 CNC Milling Machines 11 Basics 12 What is CNC Milling Machine. Both HSS and carbide, indexable tooling and carbide inserts High Quality Tools has always maintained a large inventory of machine shop tools and accessories to serve their customers. Best Sellers in Power Milling Machine Replacement Parts #1 NITOMAK 12mm Square Corners Carbide Inserts 4 Edges (12mm lengthX12mm widthX15mm thick35 Degree Cutting Angle), Pack of 10, StraightHole 49 out of 5 stars 28 $2999 #2 HHIP Quill Stop for Bridgeport Mill.
Designed to hold your part on 4 and 5axis milling machines, these vises provide rigid clamping while exposing five full sides of the workpiece This allows even complex parts to be completed in a single operation You must cut a dovetail into your material before the vise can grip it. FOR SALE Selling original Excello XLO R8 milling machine parts All parts came off an original Excello mill All parts are in exceptional condition I have all of the parts needed to make up a complete R8 mill head Must sell since I sold my XLO mill Please contact me via email If the ad is up, parts are still available Low ballers will. CNC Milling Machines – Types, Parts, Application CNC Milling Machines are explained along with different parts, definition, working principles, diagrams, advantages, disadvantages Let’s explore CNC Milling Machines!.
From the early beginnings in 1969 as a supplier of replacement parts for Bridgeport milling machines;. Step 1 Find your machine by clicking on one of the categories below Step 2 Click on your model Step 3 Click the Purchase Parts button If there is no Purchase Parts button next to the machine you selected, parts are not available online, but may still be available. Our factory direct business model gives us the ability to pass the savings on to the consumer, and our milling machine line is a prime example We guarantee stand behind our low price guarantee and back it with a 1 year parts warranty on all of our milling machines Feel free to browse our mill/drill product line I am certain you will be.
Milling Machine Parts Base It is the foundation part of a machine and all other parts are joined on it It carries the entire load so it Column It is mounted vertically on the base It supports the knee, table, etc and work as housing for all the other Knee It is a casting that supports. Best Sellers in Power Milling Machine Replacement Parts #1 NITOMAK 12mm Square Corners Carbide Inserts 4 Edges (12mm lengthX12mm widthX15mm thick35 Degree Cutting Angle), Pack of 10, StraightHole 49 out of 5 stars 28 $2999 #2 HHIP Quill Stop for Bridgeport Mill. Used Milling Machine Parts & Accessories Find what you're looking for out of 9 secondhand machines starting from €48 in IT,RS,ES!.
A milling machine is basically used for shaping, routing, boring, and drilling metals and other solid materials Generally there are two categories of the milling machine which include the vertical type and the horizontal type In order to optimize the capacity of the milling machine, it is essential to identify the appropriate milling machine type for specific tasks. Grid List 142 items Page 1 of 12 #G126 HAND WHEEL AND HANDLE 16MM ID 160MM OD Suits HM52 other. Vertical Machining Centers Great For Milling complex parts with 5axis moving at the same time 5Axis Simultaneous VMC Great For Fast removal of large piece material, and efficient heavy cutting Heavy Duty Bed Mills Great For Economical CNC milling 2 or 3axis.
Milling Machine Parts Bridgeport Series 1 Milling Machine Cast Aluminum Door, 3 Pounds $4900 Bridgeport Series 1 Milling Machine Cast Iron Door, 8 Pounds $4900 Bridgeport Milling Machine X Axis Leadscrew w/ Nut, Fits 9x42" Table with old style gearbox feed, Used $ Bridgeport J Head Aluminum Belt Housing $ 1098C. Bridgeport Milling Machine Part Power Feed Parts Plastic Gear For Models ASONG $1169 $1299 Free shipping Bridgeport Milling Machine D35 For XY Axis Dial Ring Lock CNC The Mill Nut New $1799 $1999 Free shipping Milling Machine C144 Part Lubricating Oil Pipe For Oil Pump Φ4mm*L600mm Mill New. Milling Machine Parts Overl Oal Clutch Trip Lener CNC 496 For Bridgeport USA $7199 Was $7999 Free shipping CNC 3018 Metal Frame Apply Nema17/23 Stepper 52mm Spindle CNC Wood Router $ to $ Free shipping 11 watching NEW CNC Machine Bronze Gear Servo Power Right Modle Teeth For Milling Machine US.
Leadscrew Assembly for Bridgeport Series I Milling Machine Search Search 1 1166 Hex Jam Nut Price $ 0 64 More info 2 1167 Ball Crank Handle Price $ 55 00 More info 3 1168 Dial Lock Nut Price $ 15 40 More info. Place your bid today!. Elevating Knee Crank Gearshaft Clutch Insert Bridgeport Milling Machine Parts $4400 Free shipping 9 Teeth Milling machine Crank Milling Machine Parts Zinc Alloy Knee Crank Tool $3802 Free shipping 6" Lock Precision Vise W/ Lock Vice Milling Drilling Machine Clamp Vice $.
97 products Kneeandcolumn milling machines, also called variablespeed vertical milling machines, use rotary cutting tools to remove material from a workpiece The cutting tools are held in a vertical orientation and the workpiece is secured in a horizontal orientation on the machine's table The table can be raised and lowered for making plunge cuts. Milling machining is one of the very common manufacturing processes used in machinery shops and industries to manufacture high precision products and parts in different shapes and sizes Milling Machine The milling machines are also known as the multitasking machines (MTMs) which are multipurpose machines capable of milling and turning the materials as well. CNC Milling Machines – Types, Parts, Application CNC Milling Machines are explained along with different parts, definition, working principles, diagrams, advantages, disadvantages Let’s explore CNC Milling Machines!.
2) Bridgeport JHead Milling Machine Operations and Parts List Manual Date March 1957 Industrial Machinery Manuals is Proud to Offer 1 Digitally Enhanced Quality Bound Copy Of A Bridgeport JHead Milling Machine Operations& Parts List Manual Year(1957) This Manual Includes Dimensional Drawing. VMC2240XL with ATC featuring FAGOR Control Model/Part # VMC2240XL Machining Center with ATC featuring FAGOR 8055i/AMC Control. Bridgeport Milling Machine Part Power Feed Parts Plastic Gear For Models ASONG $1169 $1299 Free shipping Bridgeport Milling Machine D35 For XY Axis Dial Ring Lock CNC The Mill Nut New $1799 $1999 Free shipping Milling Machine C144 Part Lubricating Oil Pipe For Oil Pump Φ4mm*L600mm Mill New.
The main parts of CNC milling machine include shaft, worktable, spindle, frame, NC controller and other accessories, while accessories include coolant, lubrication system, power tie rod, housing and fourth axis Next we will introduce it in detail. BRIDGEPORT PARTS Series 1, 1 1/2 and 2HP Bridgeport 6F/8F Electronic Power Feeds VariDrive Rebuild Kits Vari Drive Repair Kits Series 2 (4 HP) SERVO PRODUCTS CO Servo Power Feeds Servo Precision Drills Servo Precision Drill Parts VARIABLE FREQ DRIVES Servo VFD Package Servo VFD PLUS Package MILL ACCESSORIES Mill Heads Ballscrews Clock Springs. Download the Bridgeport milling machine installation, operation and parts manual The operation installation and parts manual includes the safety requirements and setup for a new Bridgeport milling machine The parts diagrams and instructions help you setup and maintain a new Bridgeport mill Call Worldwide Machine Tool at for help.
J4501 () Jet Belt and Edge Milling Machine Parts J4505 () Jet Edge Milling Machine Parts 4506 () Jet Edge Milling Machine Parts JTM1050 Jet Turret Mill Parts JTM1050EVS Jet Turret Mill Parts JTM1055 () Jet Variable Speed Vertical Mill Parts JTM4VS. Both HSS and carbide, indexable tooling and carbide inserts High Quality Tools has always maintained a large inventory of machine shop tools and accessories to serve their customers. This is a used Knee Lift Assembly for an Atlas Milling Machine The following parts are included Knee Lift Screw Nut M17 Knee Lift Sleave M140 Knee Lift Screw M143 Knee Lift Thrust Bearing M1 Spiral Gear S7060 All parts appear to be in good useable condition Paypal Only and I will only ship to your confirmed Paypal address.
Place your bid today!. FOR SALE Selling original Excello XLO R8 milling machine parts All parts came off an original Excello mill All parts are in exceptional condition I have all of the parts needed to make up a complete R8 mill head Must sell since I sold my XLO mill Please contact me via email If the ad is up, parts are still available Low ballers will. Milling Machine Parts & Hardware Clock Spring Assembly Quill Housing Assembly, BSeries Series I Mills MSC# High Quality Tools (1112) In Stock Price $4738 Add to Cart Quill Feed.
Many of the bench top milling machines (micro mills, mini mills, and bench mills) sold in the United States and Canada are manufactured in China by the Shanghai SIEG Machinery Co, Ltd (SIEG) In addition to our own HiTorque mills, SIEG provides mills to companies like Grizzly, Harbor Freight, and MicroMark. Drilling Machine Main Parts Base It is one of the main parts of a drilling machine, it carries the entire weight of the machine, and transfer the Column or pillar The column or pillar is situated on one side of the base In general, we use a radial column so that Upper arm At the top of. From the early beginnings in 1969 as a supplier of replacement parts for Bridgeport milling machines;.
JET Milling Machinery includes Mill Drills like the JMD18, to the electronic variable speed Manual Milling machines like the JTM1054 all the way up to fully retro fit CNC Mills with AcuRite MillPwr controls All JET Mills are backed by a robust 2year warranty. Machines CNC Milling Machine PCB Milling Machine Accessories Performance Upgrades End Mills and Bits Accessories Spare Parts Fixturing All Accessories Materials Metals Plastics Wax, Linoleum, Rubber Bundles Kits Miscellaneous All Materials Support Support Center Quote Request Software Download Project Library Community Blog Podcast Livestreams.
Http Www Jnkvv Org Pdf Pdf
Q Tbn And9gcr 2g0zv3qk7bf8ohby8crwwztidl0v thhfkaqrthejoepdw Usqp Cau
B Series And Import Milling Machine Parts
Milling Machine Parts のギャラリー
What Is Milling Machine Operation Parts And Types Mechanical Booster
Milling Machine Parts Types Operation Unbox Factory
Vertical Milling Machine Parts In Hindi Basic Youtube
Cnc Milling Machine Parts And Working Inoxform
Milling Machine Husain
1set High Quality Milling Machine Parts Ca6140 Cnc 6150 Tailstock Screw Nut Milling Machine Tailstock Durable New Milling Machine Aliexpress
Milling Machine What Is Milling Machine And Parts Of Milling Machine Market Prospects
Cnc Milling Machine Parts Complete Diy Guide Cnccookbook Be A Better Cnc Er
Cnc Metalworking Manufacturing Nt30 Bridgeport Milling Machines Parts Bearings Assembly Spindle Rainhaseguros Com Br
Dust Cover Shoe Cleaner For Cnc Milling Machine Parts 80mm Spindle From Segolike 60 32 Dhgate Com
Introduction To Milling Machines
Milling Machine Head Spare Parts Head Assembly Variable Speed Lower Housing Assembly Top Housing Assembly Step Pulley Top Housing
Rockford Systems Milling Machine Parts Hardware Product Type Safety Switch Machine Machine Part Compatibility Msc Msc Industrial Supply
Milling Machine Terminology Sherline Products
Sus 304 316 Cnc Machining Parts Milling Machine Parts Yijin
Customized Service Precision Cnc Mini Screw Steel Milling Machine Parts Wholesale Machining Products On Tradees Com
Milling Machine Parts And Their Function Hubpages
Precise Cnc Milling Machine Parts Manufacturer For Factory Jsway
Universal Milling Machine At Rs Piece Universal Milling Machine Id
Bridgeport Series 1 Milling Machine Spare Parts
South Bend Vertical Milling Machine Parts Manual Misc Amazon Com Books
Hindi Milling Machine Parts Or Components Of Milling Machine Milling Machine Operations Etc Youtube
China Cheap Milling Machine Parts Manufacturers Suppliers Factory Wholesale Price Longkai
Parts Of Milling Machine Jpg Members Gallery Mechanical Engineering
Vertical Milling Machine Parts Learn Mechanical Engineering Facebook
6090 Frame Diy Cnc Router Engraver Milling Machine Parts 80mm Spindle 2 2kw Woodworking Machinery Parts Aliexpress
Parts Lagun Manual Cnc Milling Machines
Milling Machine Parts And Working Mech4study
Cnc Milling Machine Parts Complete Diy Guide Cnccookbook Be A Better Cnc Er
Horizontal Vs Vertical Milling Difference Advantages Fractory
Machines Tool Parts Of Uh Milling Machine
This Illustration Represents Milling Machine Which Is Used To Form Specialized Parts By Cutting Material From A Solid Block Of Metal Vintage Line Draw Stock Vector Image Art Alamy
Milling Machine
Mechanical Technology What Is The Milling Machine Parts Types
Cnc Machining Center Cnc Lathe Milling Machine Aluminum Alloy Machine Parts 亿进五金
Identifying Machine Parts Controls And Their Functions Cad Cam Engineering Worldwide
Milling Machine Parts Types Operations Milling Cutter Pdf
Horizontal Milling Machine Parts In Hindi Basic Youtube
Parts Of The Milling Machine Global Engineer Harry
Horizontal High Precision Slant Bed Cnc Lathe Machine Cnc Milling Machine Parts
Milling Machine
Milling Machine Definition Parts Operation Application Notes Pdf
Pro Safe Milling Machine Parts Hardware Product Type Combination Disconnect Starter Machine Machine Part Compatibility Msc Msc Industrial Supply
High Quality Materials Cnc Milling Machine Parts Housing Film Thickness Xavier
New Bridgeport Knee Milling Machine Parts Shoe Brake Ring Pad Aluminum Part Ebay
Pin On Machine Class
Cnc Milling Machine Parts Cnc Milling Machine Parts Shenzhen Sunmy Hardware Co Ltd China
Warco Vmc Turret Mill High Quality Metal Milling Machine
Milling Machine Operation Types And Parts Of Milling Machine Mechanical Education
Cincinnati Nos 2 3 4 Dial Type Milling Machines Model Om Parts Manual Ozark Tool Manuals Books Milling Machines Milling Machine Vertical Milling Machine
Kearney Trecker Milwaukee Model H 2h Milling Machines Parts Manual Ozark Tool Manuals Books
Van Norman No 38 Milling Machine Instructions Parts Manual Ozark Tool Manuals Books
Xk7125a Cnc Milling Machine Parts Precision Cnc Turned With Milling Machine Dust Cover China High Precision Cnc Milling Cnc Milling Machine Made In China Com
Rice Milling Machine Spare Parts At Best Price In Tan Tzu Shiang Taichung Hsien Hochon Enterprises Inc
Hitachi 2m Plain Vertica Universal Milling Machine Parts List Manual Hitachi Amazon Com Books
Fb 3049 Metal Lathe Parts Diagram On Bridgeport Milling Machine Parts Diagram Download Diagram
Ppt Milling Machines Powerpoint Presentation Free Download Id
Milling Machine Parts Adjustable Worm Turbine Gear Replacement For Bridgeport
Q Tbn And9gcsur Unasuktvwlrmptcf9msqlcsb F8xfpgqlogzexd8g8fnb6 Usqp Cau
B Series And Import Milling Machine Parts
1 Reverse Knob Assembly Bridgeport Milling Machine Parts 1 Feed Hand Wheel
Bridgeport Series 1 Milling Machine Spare Parts
Milling Machine Parts R8 Draw Bar Overall Drawbar M12 7 16 For Bridgeport Mill Ebay
Milling Machine Parts Feed Gear Shaft T Pin Spindle Return Spring Latch B168 1pc
Cnc Milling Machine Parts During Manufacture Of Detail Stock Image Image Of Impeller Industrial
China X6325 Vertical Turret Milling Machine With Milling Machine Parts And Components China 3 Axis Milling Machine Ce Turret Milling
Milling
Q Tbn And9gcss Zg3p0txe7th0h9ey3qxbbed1fqe215pjb3a56a 5kgm1bgt Usqp Cau
1
Milling Machine Parts And Their Function Milling Machine Parts Milling Machine Milling
Jet Jvm 6 Milling Machine Parts
Jet 6900 Parts List Jet 6900 Repair Parts Oem Parts With Schematic Diagram
Milling Operations 11 Milling Machines Milling Cutters Up Down Milling Q A Formulas Precision Conventional Cnc Machining Grinding Fort Wayne Indiana
Milling Process Defects Equipment
Cnc Milling Machine Parts And Components Ricardo Barbosa
Milling Machine Parts Back Protective Rubber 500 650mm Dust Cover Bridgeport Cnc Ebay
Osmt M1tr Milling Machine Spare Parts Rs 1500 Piece Om Sai Machine Tools Id
China Manufacture Universal Vertical Knee Type Milling And Drilling Machine M4 With Dro Drilling And Milling Machine China Turret Milling Machine Vertical Universal Milling Machine
Precision Desktop Vertical Milling Machine With Full Accessories Eq Sl5400 Milling Ld
What Is Milling Machine Operation Parts And Types Mechanical Booster
Best Quality Bt 25 V Bridgeport China Bench Milling Machine Parts Buy Bench Milling Machine China Milling Machine Bridgeport Milling Machine Parts Product On Alibaba Com
Functions Of Cnc Milling Machine Parts And Components Explained Mechanical Engineering
Milling Machine Parts Types Operation Unbox Factory
Cnc Metalworking Manufacturing Milling Machine Parts Three Ball Metal Crank Handle 197mm O16mm M10 Business Industrial 7elements Gr
Solved A Manufacturer Produces Two Types Of Machine Parts Chegg Com
Milling Machine Parts And Their Functions Studentlesson
Diy Table Cnc Lathe Milling Machine Parts Buy Lathe Machine Parts Cnc Mill Table Diy Cnc Milling Machine Product On Alibaba Com
X6036 Universal Precision Milling Machine With The Universal Milling Machine Parts China Milling Machine Knee Type Milling Machine Made In China Com
Milling Machine Metal Milling China Manufacturer Letiptop
Milling Machine Parts Nt30 Spindle Bearings Assembly Cnc Milling Bridgeport Ebay
3pcs Reverse Knob Bridgeport Milling Machine Parts 1pc Feed Hand Wheel
Bridgeport Milling Machine Parts For Sale 44 Ads
Milling Cast And Steel Parts More Cost Effectively Cutting Tool Engineering
Milling Machine Spare Parts ऑयल म ल स प यर प र ट त ल म ल क कलप र ज In Yantrapur Post Davanagere Kshipra Engineering Id
Milling Machine Dt Online
Milling Machine Parts Types Operation Unbox Factory
Bridgeport Series 1 Milling Machine Spare Parts
Milling Machine Parts And Their Function Milling Machine Parts Milling Machine Milling
What Are The Main Cnc Milling Machine Parts And Components Ningbo Hewcho Industrial Limited
Mechanical Information S Source Milling Machine Parts View
Johansson Vertical Milling Machine Parts Manual Misc Amazon Com Books


