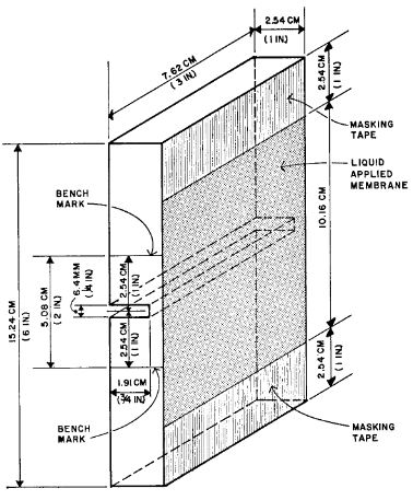
Crack Bridging Test
Significance and Use 51 This test method is used to indicate a waterproofing membrane's ability to maintain its integrity while bridging a preexisting crack in the substrate at low ambient temperatures, when the membrane is least likely to be flexible.
Crack bridging test. The server contains 4 main modes;. Heyo guys its me zione aka lcverboy and we're featurin a rlly cool server that needs more people and some love!_____Server IP McPlayHD. Dulux Crack Bridging Wall Primer is suitable for application on interior and exterior walls, which are, prone to hairline cracking due to movement of the substrate to be painted This product is a waterborne emulsion paint with very good fungal & algae resistance and a film, which is flexible and alkali resistant.
In order to determine the degradation of the crack bridging capacity, the uniaxial fatigue tension test was conducted under deformation control with a constant amplitude between the maximum crack opening displacement δ max and the minimum crack opening displacement δ min A total of eight series of fatigue tension tests with different maximum crack opening displacement levels were carried out. A performance test, suitable for accelerated testing and evaluation of the crackbridging ability of roofing membranes, exposed to real climatic conditions and experience gained with its use are described The testing device consists of a reinforced concrete slab measuring 100 cm × 50 cm × 5 cm on freemoving horizontal supports. The crackbridging properties of the different coatings were evaluated through creep determinations Strips of the cured paints were clamped between two jaws and subjected to a constant stress of 05 MPa and the strain was observed over time The strain was measured with a sensitive gauge (up to 0001 mm).
CRACK BRIDGING ABILITY Class (°C) EN TEMPERATURE RESISTANCE From 35°C to 70°C (intermittent) WATER PERMEABILITY Karsten test Nil (Impermeable) CHEMICAL RESISTANCE Resistant to petrol, diesel, antifreeze, hydraulic fluids and battery acids RESISTANCE TO CHLORIDE IONS DOT BD47/94 Appendix B, Method B4,2(d) No chloride ion penetration. Stresses in the crackbridging sap mI initial (residual) stress in the matrix in the phire ®laments were determined by measuring the shift of direction of the ®bers the ¯uorescence lines of trace chromium impurity with a fI initial (residual) stress in the ®bers laser microprobe. CrackBridging Test A mortar prism with an integrated steel wire was produced and dried for 28 days After drying the waterproofing membrane was applied in two layers of approx 12 mm thickness per layer After drying of the waterproofing membrane for 28 days under normal conditions (23° C/50% rH) the Crackbridging Test was performed.
Concrete quality monitored by the MPA* Upon request with customized type plate on every block Test specimens. Represent the fracture process at the crack tip by the bridging law Except for the bridging zone, the specimen is linear elastic When the bridging zone length is much smaller than the crack length (SSB), an annulus exists, within which the stress field is described by the squareroot singular field. Test report for root resistance following DIN 4062 report No PE dated 29/05/15 Test report for crack bridging properties following DIN EN report No P 963E dated 29/05/15 Test report for fire classification according to EN , following test method DIN EN ISO , report No 903 dated 15/8/15.
Significance and Use 51 This test method is used to indicate a waterproofing membrane's ability to maintain its integrity while bridging a preexisting crack in the substrate at low ambient temperatures, when the membrane is least likely to be flexible. BARRIER to ASTM C1305 Standard Test Method for Crack Bridging Ability of LiquidApplied Waterproofing Membrane SUMMARY PECORA XLPERMULTRA VP FLUID APPLIED AIR & VAPOR BARRIER was tested in accordance with ASTM C1305 Standard Test Method for Crack Bridging Ability of LiquidApplied Waterproofing Membrane requirements. In order to determine the degradation of the crack bridging capacity, the uniaxial fatigue tension test was conducted under deformation control with a constant amplitude between the maximum crack opening displacement δ max and the minimum crack opening displacement δ min A total of eight series of fatigue tension tests with different maximum crack opening displacement levels were carried out.
EN EN Paints and varnishes Coating materials and coating systems for exterior masonry and concrete Part 7 Determination of crack bridging properties This European Standard specifies two methods for determining the crackbridging properties of coating materials, coating systems and related products, intended for exterior masonry and concrete. 91 Method A Continuous opening of the crack 92 Method B Periodical change of the crack width 10 Precision 11 Test report Annex A (normative) Crackbridging properties Classification and test conditions for method A Annex B (normative) Crackbridging properties Classification. Hundreds of different test methods from ASTM, AASHTO, Army Corps of Engineers (CRD), individual state departments of transportation and other testingrelated entities are performed by Nelson Testing Laboratories® each year Below is a list of product types we currently test along with an abbreviated list of related specifications and test methods.
Standard Test Method for Crack Bridging Ability of LiquidApplied Waterproofing Membrane This test method covers a laboratory procedure for determining the ability of a waterproofing membrane to bridge a crack in the substrate There are no ISO standards similar or equivalent to this ASTM C1305. Crack Bridging Test Method A stucco mixture is prepared using cement, sand, water and lime The stucco mixture is applied evenly and no more than 1/4" thick over a panel The prepared panel is allowed to dry for a week After the panels are cured, the test paint is applied using a brush to the appropriate mil thickness and cured for a week. 51 This test method is used to indicate a waterproofing membrane's ability to maintain its integrity while bridging a preexisting crack in the substrate at low ambient temperatures, when the membrane is least likely to be flexible.
Many test data have now been published on the crack bridging effects of stitches and pins under static loading, both for single stitches or pins in model specimens and for arrays of stitches or pins bridging cracks in delamination specimens 5, 921 The observed mechanisms of deformation of the reinforcement under mixed mode loading. CrackBridging Test A mortar prism with an integrated steel wire was produced and dried for 28 days After drying the waterproofing membrane was applied in two layers of approx 12 mm thickness per layer After drying of the waterproofing membrane for 28 days under normal conditions (23° C/50% rH) the Crackbridging Test was performed. Represent the fracture process at the crack tip by the bridging law Except for the bridging zone, the specimen is linear elastic When the bridging zone length is much smaller than the crack length (SSB), an annulus exists, within which the stress field is described by the squareroot singular field.
Crack Bridging Test One can easily perform the test on a Tinius Olsen 50KT tension compression testing machine (Figure 1) utilizing a four point bend test grip called QS4531 grip The test is performed on a reinforced concrete sample 0 x 300mm to EN Annex C. An expanding body of test data has now been published on the crack bridging effects of stitches and pins under static loading, both for single stitches or pins in model specimens and for arrays of. This time lapse video illustrates the toughness, flexibility and performance characteristics of the Spray Applied Bridgedeck Membrane System Using a modification of ASTM C 1305 "Crackbridging Test," the BDM system was applied at a nominal 80 mils (2 mm) onto a standardized concrete block sample having a formed crack The sample was then pulled at a rate of 0125 inches/min (32 mm/min), for a total pull of 0375 inches (95 mm).
Bridging, techniques, bedwars and multiplayer → Practice bridging between two islands at multiple angles, having instant reward on your times → Practice techniques such as being knocked off a bridge and clutching or performing a hit clutch → Practice bedwars 1v1s mimicking the start of a doubles rush game. Test Method Typical Value;. Master Builders Solutions from BASF Explaining the risk of concrete cracks in agressive environments https//wwwmasterbuilderssolutionsbasfcouk BASF.
Experimental data were combined with a numerical study, performed by means of a virtual crack closure technique based procedure, named SMart Time XB Fibre Bridging (SMXBFB), able to mimic the crack bridging effect on the toughness properties of the material system. Abstract and Figures Some concern about the determination of a standardised test for crackbridging ability (CBA) measurements exists The present work focuses on the analysis of the results of. Eled bridging laws are adapted to evaluate the crack width in steelreinforced aramidFRCC members The uniaxial tension test of aramidFRCC prism specimens with rebar is conducted to measure the crackopening behavior experimentally and the test results are compared with the theoretical ones 24, in which the bridging law is included 2.
Stresses in the crackbridging sap mI initial (residual) stress in the matrix in the phire ®laments were determined by measuring the shift of direction of the ®bers the ¯uorescence lines of trace chromium impurity with a fI initial (residual) stress in the ®bers laser microprobe. Bridging Practice Here you can practice your bridging Make sure you use this IP 0tcpngrokio. Concrete quality monitored by the MPA* Upon request with customized type plate on every block Test specimens.
Current tests in the UK which can be used to assess crackbridging ability are reviewed West German tests and specifications are also summarised and form a good basis for the development of better UK test methods and specifications for crack bridging The need for further work on the effect of cracks on hydrophobic surface treatments is highlighted. Crack Bridging Test (80 Mils 1/8” Opening @ 15°F, 40 cycles) ASTM C 1305 Pass Adhesion to Concrete (PSI) ASTM D 7234 >150 Adhesion to Steel (PSI) ASTM D 4541 >300 Resistance to Penetration ASTM D 18 (Modified per AREMA Ch 8, Part ) Pass North American Ballast Impact Test 92 281 kips, 2,000,000 Cycles Pass. ASTM C1305, the crackbridging test included in the SWRInstitute validation, requires testing samples at a DFT of 150 ± 010 mm (60 ± 5 mils) This is closer to the average EWC thickness, but is still eight times thicker than one of the tested products.
Behavior, bridging law can be obtained from a uniaxial tension test 4,5, or indirectly from the bending test of a prism specimen In recent years, even in SHCC showing multiple cracking behavior, some methodologies to measure the crack width of a single crack. 3 Method B Periodical change of the crack 9 Expression of results 91 Method A Continuous opening of the crack 92 Method B Periodical change of the crack width 10 Precision 11 Test report Annex A (normative) Crackbridging properties Classification and test conditions for method A Annex B (normative) Crackbridging properties. Crack Bridging ASTM C Standard Test Method for Crack Bridging Ability of Liquid Applied Waterproofing Membrane 15˚F (26˚C) Pass n/a Table 6 Medium Density Spray Polyurethane Foam Insulation Product Property Test Standard Test Standard Title Unit Requirement Min Max Flame Spread Characteristics ASTM E84 – 12c.
That system's crack bridging is somewhat predictable by engineering calculations, and actual lab simulation tests have given “reasonable” correlation to calculated behaviour Those systems typically accomplish crack bridging capability of inches (50 mils) of crack movement (opening) capability. Crack Bridging Ability ASTM C1305, Sikafloor® Pronto RB28, NELSON, Test report (A) Fire testing EN , Sikafloor®32 Pronto, Hoch, Report No KBHoch1469 Crackbridging test EN , Sikafloor® Pronto RB58, kiwa, Report No P aE 1 / 6. Solids Content 100% Gel Time >90 Seconds Tack Free >2 Minutes Open to Light Traffic 1 Hour Elongation ASTM D 638 >250% Tensile Strength (PSI) ASTM D 638 ~2,000 Tear Strength (PLI;.
According to EN 141, crack bridging test Other standards, eg ASTM, BS, NF, JIS, and many more Concrete slabs For tests according to DIN EN 1323 Concrete slabs Quality similar to ISO Concrete blocks According to EN 1766 with all subtypes;. In the case of uniaxial tension test of steel reinforced FRCC prism, the theoretical curve of steel strain–crack width relationship is given by Equation (5) 24 This formula is led by considering bond interaction between FRCC and rebar, fiber bridging effect at crack surface and cracking condition of FRCC. Die C) ASTM D 624 >390 Crack Bridging Test (80 Mils BDM 40 Mils Top Coat with Aggregate 1/8” Opening @ 15°F, 40 cycles) ASTM C 1305 Pass.
According to EN 141, crack bridging test Other standards, eg ASTM, BS, NF, JIS, and many more Concrete slabs For tests according to DIN EN 1323 Concrete slabs Quality similar to ISO Concrete blocks According to EN 1766 with all subtypes;. Current tests in the UK which can be used to assess crackbridging ability are reviewed West German tests and specifications are also summarised and form a good basis for the development of better UK test methods and specifications for crack bridging. CRACK BRIDGING ABILITY Class (°C) EN TEMPERATURE RESISTANCE From 35°C to 70°C (intermittent) WATER PERMEABILITY Karsten test Nil (Impermeable) CHEMICAL RESISTANCE Resistant to petrol, diesel, antifreeze, hydraulic fluids and battery acids RESISTANCE TO CHLORIDE IONS DOT BD47/94 Appendix B, Method B4,2(d) No chloride ion penetration.
22 Determination of Crack Bridging Ability The test was carried out at 23±2°C Six samples of the coating were tested The rear part of each test specimen was cut in 2mm depth at the centre of the specimen in order to create a crack Plastic plates were then adhered to the front of the coated sample,. The crack bridging ability test results are between 0 to 8mm, in which 5 of them meet the requirements of greater than 075mm according to DIN ENThe tensile strength test results are between 113MPa to 319MPa, the elongation at break test results are between 4% to 350%The results show that higher tensile strength and higher elongation at break will have good ability of crack bridging Samples with better crack bridging ability are close to type III product according to. The crack bridging ability test results are between 0 to 8mm, in which 5 of them meet the requirements of greater than 075mm according to DIN ENThe tensile strength test results are between 113MPa to 319MPa, the elongation at break test results are between 4% to 350%The results show that higher tensile strength and higher elongation at break will have good ability of crack bridging.
• ExoAir 110AT has been tested to the following industry standards and test methods for air barriers • AATCC Water Resistance Hydrostatic Pressure Test for 5 hr • ASTM C1305 Standard Test Method for Crack Bridging Ability of LiquidApplied Waterproofing Membrane. One of them is the crack bridging test European Standard DIN EN 141 or Crack bridging capability test method is used to indicate a waterproofing membrane's ability to maintain its integrity while bridging a crack in the substrate The requirement to pass this standard should be not less than 075 mm in a standard condition. C1305/C1305M Test Method for Crack Bridging Ability of LiquidApplied Waterproofing Membrane C1375 Guide for Substrates Used in Testing Building Seals and Sealants C1471/C1471M Guide for the Use of High Solids Content Cold LiquidApplied Elastomeric Waterproofing Membrane on Vertical Surfaces.
CRACK BRIDGING ABILITY Class (°C) EN TEMPERATURE RESISTANCE From 35°C to 70°C (intermittent) WATER PERMEABILITY Karsten test Nil (Impermeable) CHEMICAL RESISTANCE Resistant to petrol, diesel, antifreeze, hydraulic fluids and battery acids RESISTANCE TO CHLORIDE IONS DOT BD47/94 Appendix B, Method B4,2(d) No chloride ion penetration. One of them is the crack bridging test European Standard DIN EN 141 or Crack bridging capability test method is used to indicate a waterproofing membrane's ability to maintain its integrity while bridging a crack in the substrate The requirement to pass this standard should be not less than 075 mm in a standard condition. Using a modification of ASTM C 1305 "Crackbridging Test," the BDM system was applied at a nominal 80 mils (2 mm) onto a standardized concrete block sample having a formed crack The sample was then pulled at a rate of 0125 inches/min (32 mm/min), for a total pull of 0375 inches (95 mm).
Enduralastic 10 is uniquely formulated flexible coating that seals and bridges hairline cracks, which provides excellent waterproofing protection against winddriven rain Crack Bridging Test Method A stucco mixture is prepared using cement, sand, water and lime. Many test data have now been published on the crack bridging effects of stitches and pins under static loading, both for single stitches or pins in model specimens and for arrays of stitches or pins bridging cracks in delamination specimens 5, 921 The observed mechanisms of deformation of the reinforcement under mixed mode loading. Test were conducted in uniaxial tension on notched composite mortar prisms in order to plot load versus crack opening curves and evaluate the bridging energy provided by the fibers across a single opening crack.
Crack bridging, high diffusion resistance against CO 2, water vapour permeable, excellent resistanceagainst weathering and ageing, no brittleness under UV, one component, solvent free, noninflammable Coverage DURAFEX E Primer 0 to 025 kg/m 2 per coat depending on the substrate. MIXING Prior to mixing all parts, mix separately Part A (resin) using an electric single paddle mixer or other suitable equipment, mix liquid and all the coloured pigment until a uniform colour / mix has been achieved Add Part B (hardener) to Part A and mix Part A B continuously for 3,0 minutes until a uniformly coloured mix has been achieved When Parts A and B have been mixed. BARRIER to ASTM C1305 Standard Test Method for Crack Bridging Ability of LiquidApplied Waterproofing Membrane SUMMARY PECORA XLPERMULTRA VP FLUID APPLIED AIR & VAPOR BARRIER was tested in accordance with ASTM C1305 Standard Test Method for Crack Bridging Ability of LiquidApplied Waterproofing Membrane requirements.
A performance test, suitable for accelerated testing and evaluation of the crackbridging ability of roofing membranes, exposed to real climatic conditions and experience gained with its use are described The testing device consists of a reinforced concrete slab measuring 100 cm × 50 cm × 5 cm on freemoving horizontal supports.
Super Seal Tape Crack Bridging Ability Avi Youtube
Study On Crack Bridging Ability Of Polymer Modified Cement Based Compounds For Waterproofing Material Scientific Net
Http Materialstandard Com Wp Content Uploads 19 09 C1305 08 Pdf
Crack Bridging Test のギャラリー
Assessment And Verification Ppt Download
Pdf Determination Of Tensile Crack Bridging Of Pcm Concrete Interface Subjected To Fatigue Loading By Means Of Bending Test Semantic Scholar
2
Annayya Chandrashekar Gmail Com Technical Astm C 6 Crack Bridging Test
Ensuring Durability Of Elastomeric Wall Coatings Strong Recommendations For Better Standards Construction Specifier
Ensuring Durability Of Elastomeric Wall Coatings Strong Recommendations For Better Standards Construction Specifier
Exploring The Influence Of Micro Structure On The Mechanical Properties And Crack Bridging Mechanisms Of Fibrous Tufts Sciencedirect
Authors Library Caltech Edu 1 Pdf
Core Ac Uk Download Pdf Pdf
Micromechanical Modeling Of Crack Bridging Relations Of Hybrid Fiber Strain Hardening Cementitious Composites Considering Interaction Between Different Fibers Sciencedirect
Crack Bridging A Bridging In Printed Test Samples B Closeup Download Scientific Diagram
Study Of The Crack Bridging Ability Of Organic Coatings For Concrete Analysis Of The Mechanical Behaviour Of Unsupported And Supported Films Sciencedirect
Fenix Tecnico Ulisboa Pt Downloadfile Resumo alargado Iuri dias final Pdf
Fatigue Crack Closure A Review Of The Physical Phenomena Pippan 17 Fatigue Amp Fracture Of Engineering Materials Amp Structures Wiley Online Library
Testing Crack Bridging In Concrete Structures
Evaluation Of Crack Bridging Strength Degradation In Sfrc Structural Beams Under Flexural Fatigue Sciencedirect
Testing Crack Bridging In Concrete Structures
Crack Bridging An Overview Sciencedirect Topics
Performance Of Eva Based Membranes For Scl In Hard Rock Springerlink
Crack Bridging Tests Eurolab
Pdf Crack Bridging Ability Of Organic Coatings For Concrete Influence Of The Method Of Concrete Cracking Thickness And Nature Of The Coating
Pdf Crack Bridging Ability Of Organic Coatings For Concrete Influence Of The Method Of Concrete Cracking Thickness And Nature Of The Coating
Annayya Chandrashekar Gmail Com Technical Astm C 6 Crack Bridging Test
Concrete Test Specimens Senze Instruments Benelux
Astm C1305 08 Red Standard Test Method For Crack Bridging Ability Of Liquid Applied Waterproofing Membrane Standard Redline Pdf Bundle
Bridge Deck Membrane Crack Bridging Capability On Vimeo
En 10 Flexible Sheets For Waterproofing Waterproofing Of Concrete Bridge Decks And Other Concrete Surfaces Trafficable By Vehicles Determination Of Crack Bridging Ability
Link Springer Com Content Pdf 10 1007 2f978 1 49 7232 3 21 Pdf
Pdf Crack Bridging Ability Of Organic Coatings For Concrete Influence Of The Method Of Concrete Cracking Thickness And Nature Of The Coating
Annayya Chandrashekar Gmail Com Technical Crack Bridging Test As Per Astm 1305
Applied Sciences Free Full Text Steel Fiber Use As Shear Reinforcement On I Shaped Uhp Frc Beams Html
Q Tbn And9gcqyhqzjfichym9v4fh4rj15t7jim2ldzr0tsrir Hv1zpen1bvp Usqp Cau
Vapour Permeable Air Barriers Real World Evaluation What Works Wh
75 E Vandex
Www Organikkimya Com Files Bufile 2ee8fbd4 9c50 45fa 79 3d05b8ecaaf3 Pdf
Fenix Tecnico Ulisboa Pt Downloadfile Resumo alargado Iuri dias final Pdf
Panay Island Barter Buy And Sell Group Posts Facebook
Core Ac Uk Download Pdf Pdf
Crack Bridging An Overview Sciencedirect Topics
Myk Arment Acrylic Aquaarm 2c Crack Bridging Waterproof Coating For Roofs Packaging Size 35kg Rs 6600 Pack Id
Pdf Determination Of Tensile Crack Bridging Of Pcm Concrete Interface Subjected To Fatigue Loading By Means Of Bending Test Semantic Scholar
Fracture Toughness Determinations By Means Of Indentation Fracture Intechopen
2
Micromechanical Modeling Of Crack Bridging Relations Of Hybrid Fiber Download Scientific Diagram
Performance Of Eva Based Membranes For Scl In Hard Rock Springerlink
Iklan Cat Altis Elastomeric Crack Bridging Youtube
Figure 2 From Crack Blunting Crack Bridging And Resistance Curve Fracture Mechanics In Dentin Effect Of Hydration Semantic Scholar
Evaluation Of Crack Bridging Strength Degradation In Sfrc Structural Beams Under Flexural Fatigue Sciencedirect
Astm C 1305 00 Pdf Free Download Worldwide Civil Engineering Standards
Experimental Determination Of Crack Bridging Constitutive Relations Of Hybrid Fiber Strain Hardening Cementitious Composites Using Digital Image Processing Sciencedirect
Pdf Crack Bridging Ability Of Organic Coatings For Concrete Influence Of The Method Of Concrete Cracking Thickness And Nature Of The Coating
Materials Free Full Text Adaptive Crack Modeling With Interface Solid Elements For Plain And Fiber Reinforced Concrete Structures Html
Crack Bridging Ability Of Liquid Applied Waterproofing Membrane Cement Concrete
Crack Bridging Model For Fibre Reinforced Concrete Under Fatigue Tension Sciencedirect
Schematic Illustrations Comparing The Typical Length Of The Download Scientific Diagram
Bs En 7 04 Pdf Fracture Nut Hardware
Core Ac Uk Download Pdf Pdf
Www Mdpi Com 1996 1944 12 15 2407 Pdf
New Os 10 Car Park Coating System Fast Acting And With Exceptional Crack Bridging Properties Mc Bauchemie
Experimental Results Of Crack Bridging Relations A Ps05 B Download Scientific Diagram
Stress Analysis Versus Modes Of Fracture In Composites Prezentaciya Onlajn
Crack Bridging An Overview Sciencedirect Topics
Use Of Microfasteners To Produce Damage Tolerant Composite Structures Philosophical Transactions Of The Royal Society A Mathematical Physical And Engineering Sciences
Evaluation Of The Performance Of The Protective Surface Coatings For Concrete Pdf Free Download
Materials Free Full Text Joint Or Crack Opening Resistance Evaluation Of Waterproofing Material And System For Structural Sustainability In Railroad Bridge Deck Html
Www Litex No Wp Content Uploads 19 08 Test Report Ds As 2k En 141 En Pdf
Pdf The Assessment And Behaviour Of Crack Bridging And Crack Accommodating Protective Coatings On Reinforced Concrete Semantic Scholar
Materials Free Full Text Joint Or Crack Opening Resistance Evaluation Of Waterproofing Material And System For Structural Sustainability In Railroad Bridge Deck Html
Experimental Study Of Steel Fibre Bridging Action On Crack Propagation In Fibre Reinforced Concrete Scientific Net
Pdf Experimental Determination Of Crack Bridging Constitutive Relations Of Hybrid Fiber Strain Hardening Cementitious Composites Using Digital Image Processing
Fenomastic Gold Crack Bridging
2
Super Seal Tape Crack Bridging Ability Youtube
Mc Proof Eco Is Radon Tight Mc Bauchemie
Pdf Crack Bridging Ability Of Organic Coatings For Concrete Influence Of The Method Of Concrete Cracking Thickness And Nature Of The Coating
2
2
Imberal 2k b
Performance Of Eva Based Membranes For Scl In Hard Rock Springerlink
Crack Bridging Of Sfrc By Steel Fibers In Compression And Splitting Download Scientific Diagram
Crack Bridging An Overview Sciencedirect Topics
Crack Bridging An Overview Sciencedirect Topics
Maintainability Of Buildings Waterproofing Tests
Cos E Il Crack Bridging Pavimenti Industriali
Ensuring Durability Of Elastomeric Wall Coatings Strong Recommendations For Better Standards Construction Specifier
Cl 69 Ultra Tight Ceresit
Astm C1305 C1305m 16 Standard Test Method For Crack Bridging Ability Of Liquid Applied Waterproofing Membrane
Cold Weather Traffic Coating Bridge Preservation Llc
Crack Bridging Coatings Mc Bauchemie
Annayya Chandrashekar Gmail Com Technical Crack Bridging Test As Per Astm 1305
Crack Bridging An Overview Sciencedirect Topics
Materials Free Full Text Influence Of Crack Width In Alternating Tension Compression Regimes On Crack Bridging Behaviour And Degradation Of Pva Microfibres Embedded In Cement Based Matrix Html
Www Synthomer Com Uploads Media Drymix Mortar Yearbook 19 Synthomer Pdf
Pdf Performance Of Eva Based Membranes For Scl In Hard Rock
Built Expressions Bangalore Mc Bauchemie India Pvt Ltd
Core Ac Uk Download Pdf Pdf
Pdf The Assessment And Behaviour Of Crack Bridging And Crack Accommodating Protective Coatings On Reinforced Concrete Semantic Scholar
C 1305 00 Qzezmdu Mortar Masonry Cement


